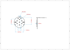
Round Led Module 7x CREE XP
Technical drawings

Advanced LED module featuring 7 CREE XP LEDs, delivering high luminous output and uniform light distribution. The circular design allows compatibility with a wide range of secondary optics, enabling precise beam shaping. Suitable for commercial, industrial, and architectural lighting applications that demand high efficiency and quality illumination.
| Diameter [mm] | 45 |
|---|---|
| PCB Material | MCPCB |
Files to download