Linear Led Module 0,5 feet 140x24mm 12V LINNEA
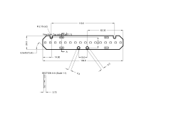
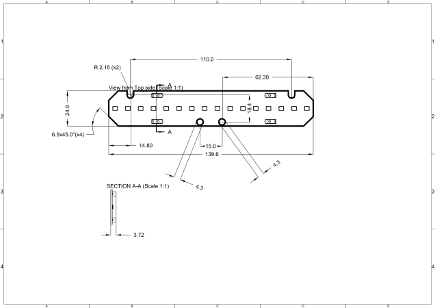
Technical drawings

LINNEA 12V LED module with a length of 140 mm and width of 24 mm for linear lighting in low-voltage systems. Provides uniform light and stable operation.
| Max efficiency [lm/W] | 201 lm/W |
|---|---|
| Voltage [Vf] | 6 V |
| Length [mm] | 140 mm |
| Width [mm] | 24 mm |
| Color temp [K] | 2700-6500K |
| CRI/RA | 80/90 |
| PCB Material | FR4 |