Linear Led Module 0,5 feet 140x20mm 18V LINNEA
Technical drawings

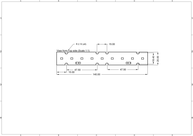
LINNEA 18V LED module with a length of 140 mm and width of 20 mm for precise linear lighting applications. Offers high luminous efficiency, uniform illumination, and design flexibility.
| Max efficiency [lm/W] | 204 lm/W |
|---|---|
| Voltage [Vf] | 9 V |
| Length [mm] | 140 mm |
| Width [mm] | 20 mm |
| Color temp [K] | 2700-6500K |
| CRI/RA | 80/90 |
| PCB Material | FR4 |