Linear Led Module 0,25 feet 70x20mm 36V LINNEA
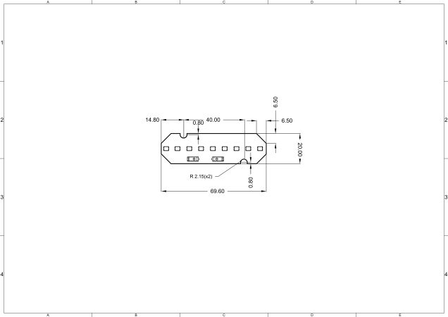
Technical drawings

LINNEA 36V LED module with a length of 70 mm and width of 20 mm designed for very small installation spaces. Provides precise lighting and high energy efficiency.
| Max efficiency [lm/W] | 204 lm/W |
|---|---|
| Voltage [Vf] | 9 V |
| Length [mm] | 70 mm |
| Width [mm] | 20 mm |
| Color temp [K] | 2700-6500K |
| CRI/RA | 80/90 |
| PCB Material | FR4 |